Línea directa de servicio:
+86-372-2595077/2595078/2595088
Uso:
Esta serie de productos es un dispositivo de conversión electromecánica, que se utiliza con un amplificador de control proporcional en el sistema de control proporcional electrohidráulico de 12v / 24v de corriente continua, y actúa conjuntamente sobre la válvula multicanal proporcional sensible a la carga del tipo hawe. Dentro del recorrido nominal y el rango de corriente nominal, su fuerza de salida y desplazamiento son proporcionales a la corriente de entrada, la fuerza de salida es constante durante el recorrido nominal, y la corriente de entrada se ajusta gradualmente dentro del rango nominal, lo que puede lograr la regulación gradual de la velocidad, la inversión y el control remoto del mecanismo de Ejecución del sistema hidráulico dentro del rango nominal.
Principales parámetros técnicos
| Modelo | Dp2539 - 3 - a 2DT | |
| Tensión nominal (v) | 24 voltios | 12 voltios |
| Temperatura ambiente aplicable ( ℃) | - 30 + 60 | |
| Recorrido efectivo (mm) | 1 | |
| Recorrido completo (mm) | > 1,1 | |
| Se recomienda usar el rango de viaje (mm) | 0,2 a 0,8 | |
| Succión nominal (n) | 15 | |
| Anillo de estancamiento de fuerza (%) | ≤ 8 | |
| Estancamiento actual (%) | ≤ 8 | |
| Corriente nominal (a) | 0.58 | 1.16 |
| Corriente máxima (a) | 0.85 | 1.7 |
| Resistencia nominal 20 ℃ (omega) | 28 | 7 |
| Potencia nominal (w) | 9.4 | 9.4 |
| Potencia máxima (w) | 20.6 | 20.6 |
| Nivel de protección | Ip67 | |
Curva característica de viaje - Fuerza en Estado estable
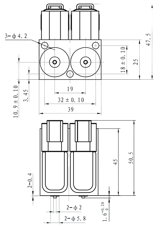
Forma y tamaño de instalación

Precauciones de uso
● El electroimán utiliza dos enchufes dt06 - 2s dechi.
● debe haber un dispositivo de protección contra sobrecorriente entre el sistema de control eléctrico y la parte de conexión del electroimán para evitar quemar el electroimán y sus componentes de control eléctrico en circunstancias anormales.
● el medio de trabajo del sistema hidráulico es aceite mineral y ácido fosfórico.
● El electroimán es un sistema de trabajo continuo.
Descripción de la muestra
● para aplicaciones que excedan los requisitos de esta muestra, pregunte a la empresa.
● La curva característica es solo para referencia.
● Los principales parámetros característicos se obtienen en condiciones de laboratorio. La compañía se reserva el derecho de modificar los parámetros.
Chinese
English
Русский
Español